- 总人气:9501
- 商铺人气:2793
- 产品人气:6370
- 资讯人气:338

- 型号:CHD806AE/BE/ACE/BCE/MCE
- 价格:电议
- 最小起订量:1台
- 供货总量:9999台
- 产品介绍
产品概述
它是一款内置EM/IC感应阅读器、全中文液晶显示、自带简体字库可显示用户姓名、大记录容量、高性能高稳定之一体型门禁机。特点是高度集成、技术先进、安装方便、操作简单直观、性能稳定、外形美观。主要用于高档会所、智能小区、写字楼等相关场合。主要有三种型号: CHD806ACE无内置读头,可外接两个标准维根读头;不支持密码输入; CHD806BCE内置EM读头,可外接一个标准维根读头;不支持密码输入; CHD806MCE内置IC读头,可外接一个标准维根读头;不支持密码输入。
适用场所: 多用于高档会所、智能小区、写字楼等场合。
规格参数
尺寸 | 94mm(长)×167mm(宽)×26mm(高) |
颜色 | 乳白色 |
显示 | 全中文液晶显示 |
键盘 | 18键轻触键盘,拉盖隐藏设计独具匠心 |
净重 | 250g±10%(因包装不同、请以实物为准) |
电源 | 直流电源: 工作电压:DC9~12V 工作电流:100~120毫安,约1.2~1.4瓦(T=25℃ VIN=12VDC) |
温度 | 工作时 -10℃~55℃ |
非工作时 -40℃~85℃ | |
湿度 | 工作时 <98%RH |
非工作时 <98%RH | |
实时钟 | 偏差:<±30秒/月 |
通讯方式 | RS485、RS422 |
读卡距离 | 20~50mm(Mifare卡) 、50~150mm(EM卡) |
用户记录 | 授权用户 2940 人;[带员工姓名] |
存储记录 保持最新记录 11000 条 | |
读卡方式 | BCE内置EM读卡,MCE内置MIFARE读卡,还可外接两个标准维根读头;如EM卡阅读器、MIFARE卡阅读器、TEMIC卡阅读器、MOTOROLA阅读器等;不支持密码输入刷卡开门、远程遥控开门、按钮放行 |
系统配置列表
应用场景 | 产品型号 | 数量 | 单位 |
民用门禁系列 | 单门主机CHD806ACE/BCE/MCE | 1 | 台 |
中文键盘读卡器 CHD602P/PM | 1 | 台 | |
磁力锁 CHD280H1 | 1 | 把 | |
发卡器 CHD603B-U/603BM-U | 1 | 台 | |
开关电源 CHD-PS212 | 1 | 台 | |
出门按钮 CHD-EP66 | 1 | 台 | |
转换器 CHD-485HVD | 1 | 台 |
使用指南

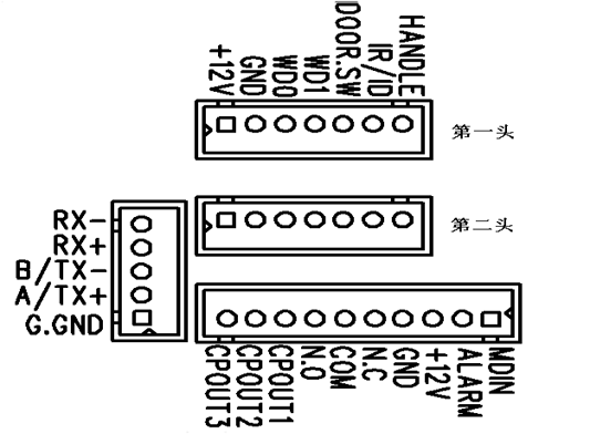
上排7位插座引线定义:(第一头)
引脚序号 | 引线颜色 | 定义 | 说明 |
第1脚 | 红色 | +12V 电源正 | 输入范围8~35VDC |
第2脚 | 黑色 | GND 电源地线 | |
第3脚 | 绿色 | WD0 维根D0线 | 内置感应头时这两根线悬空不用 |
第4脚 | 白色 | WD1 维根D1线 | |
第5脚 | 紫色 | DOOR.SW 门磁开关信号输入,要求输入信号为干接点 | |
第6脚 | 橙色 | IR/ID 红外监控输入,要求输入信号为干接点 | 布防 |
第7脚 | 黄色 | HANDLE 手动开门信号输入,要求输入信号为干接点 | 多接出门按钮 |
中排7位插座引线定义:(第二头)
引脚序号 | 引线颜色 | 定义 | 说明 |
第1脚 | 红色 | +12V 电源正 | 输入范围8~35VDC |
第2脚 | 黑色 | GND 电源地线 | |
第3脚 | 绿色 | WD0 维根D0线 | 可外接第二个感应头 |
第4脚 | 白色 | WD1 维根D1线 | |
第5脚 | 紫色 | 悬空不用 | |
第6脚 | 橙色 | 悬空不用 | |
第7脚 | 黄色 | 悬空不用 |
下排10位插座引线定义:
引脚序号 | 引线颜色 | 定义 | 说明 |
第1脚 | 橙色 | MDIN 紧急消防联动输入 | |
第2脚 | 蓝色 | ALARM 报警OC门输出,可驱动报警继电器 | 在布防状态下,发现有非法动作时,报警输出动作。 |
第3脚 | 红色 | +12V 电源正 | 输入范围8~35VDC |
第4脚 | 黑色 | GND 电源地线 | |
第5脚 | 灰色 | N.C 继电器常闭端 | 接常开锁如磁力锁、电插锁等 |
第6脚 | 橙色 | COM 继电器公共端 | 接锁电源 |
第7脚 | 白色 | N.O 继电器常开端 | 接常闭锁如电控锁 |
第8脚 | 蓝色 | CPOUT1 辅助OC输出#1 | 备用 |
第9脚 | 橙色 | CPOUT2 辅助OC输出#2 | |
第10脚 | 白色 | CPOUT3 辅助OC输出#3 |
下排3/5针接头:RS485或RS422联网接头
引脚序号 | 引线颜色 | 定义 | 说明 |
第1脚 | 绿色 | G.GND 地球地 | 接大地 |
第2脚 | 咖啡色 | A/TX+ RS485的正线或RS422的TX+ | 2线扎一起 |
第3脚 | 灰色 | B/TX- RS485的负线或RS422的TX- | |
第4脚 | 咖啡色 | RX+ RS422的RX+ | 2线扎一起 485联网无此线 |
第5脚 | 黄色 | RX- RS422的RX- |
参见安装图示,按以下基本步骤操作:
金属挂板如左图所示,充分考虑各种现场安装方式,介绍如下:
方法一:设备安装位置已经预留“86” 暗盒且螺丝固定柱或金属耳朵在水平方向的,用M4机牙螺丝穿过挂板孔“1、2”固定即可。
方法二:设备安装位置已经预留“86” 暗盒且螺丝固定柱或金属耳朵在垂直方向的,用M4机牙螺丝穿过挂板孔“3、4”固定即可。
方法三:设备安装位置无预留“86” 暗盒直接上墙的,用M4自攻螺丝穿过挂板孔“5、6、7”固定即可。
安装步骤
1)按照统一标高,选择设备的安装位置;
2)墙上打好“进/出”线孔(10毫米以上);
3)再打好3个6毫米的固定孔,塞入固定用的胶塞;
4)固定金属挂板;
5)接好与设备的所有连接线,注意电源(+)端不要接入设备的信号线上;
6)将插头插入设备的背面插座,用力插紧;
7)将设备挂上金属挂板;
8)装上设备与金属挂板相联的两个固定锣钉;
9)装上小拉盖;
10)加电工作。
包装清单
项目 | 配件名称 | 数量 | 备注 |
1 | 控制器 | 1台 | 贴有型号条码纸,接线定义标签及出厂日期标签。 |
2 | 金属挂板 | 1块 | 已固定在控制器背面 |
3 | 带小茶镜面盖 | 1个 | 已安装在控制器正面 |
4 | 合格保修证 | 1张 | |
5 | 防潮珠(5克) | 1包 | |
6 | 自封口透明大胶袋 | 1个 | 控制器的外包装袋 |
7 | 7芯连接线 | 2根 | 标准1007 #24 400毫米长,二种线扎在一起。 |
8 | 10/3芯连接线 | 各1根 | |
8 | 固定胶钉(绿色) | 3颗 | 与线装在一个胶袋 |
9 | 自攻螺钉M3X20 | 3颗 | 与线装在一个胶袋 |
10 | 自封口透明小胶袋 | 1个 | 线包装袋 |
11 | 控制器使用说明书 | 1本 | |
12 | 白色内盒 | 1个 | |
13 | 彩色外包装盒 | 1个 |
质保售后
一、包换条款:
1.我公司的产品售出后,在一个月内发生非人为因素造成的损坏而影响正常使用的,在产品配件齐全、包装完好,外观未损坏的情况下,我公司实行包换制,属于包换期内的产品如出现厂家停产或缺货一周以上的,贵司可以选择按购买价换成相同功能、相同配置的等价产品(售出产品的出厂日期以我公司产品出厂标贴为准,撕毁涂改无效)。
2.我公司的产品售出后,在三个月内发生非人为因素造成的损坏而影响正常使用的,我公司负责在不超过三个工作日及时维修(不计在途时间),如果无法及时维修的或修好的产品在一个月内又发生同样故障的,我公司实行包换制;缺货处理同第(1)条约定(售出产品的出厂日期以我司产品出厂标贴为准,撕毁及涂改无效)。
二、包修条款:
1.我公司的产品售出后,如在一年内发生非人为因素造成的损坏而影响正常使用的,我公司负责免费维修,维修时间不超过三个工作日(不计在途时间),故障产品的往返寄件费用均由我司承担。
2.在产品售出一年内,如发生客户操作不当或人为因素造成的损坏及外界干扰致损情况,客户可将产品寄回我司进行检修,我司仅收取检修设备的开机检测费(30元/台)及所更换的元器件费用,往返寄件费用均由客户方自行承担。
三、维修条款:
1.我公司的产品在售出一年后时,如发生故障影响使用的,客户可将产品返回我公司进行检修,我司收取检修设备的开机检修费(30元/台)、人工费(50元/台)及更换硬件费用,故障产品的往返寄件费用均由客户方自行承担。
如返修设备出现因强雷电击入或进水腐蚀及外界干扰致使无法修复情况,我司建议报废,重新购买新设备。
系统拓扑图

