- 总人气:5461
- 商铺人气:2775
- 产品人气:2644
- 资讯人气:42
产品展示列表
电热执行器SMEC-707是由北京硕人时代科技有限公司出品,供暖设备末端中流量控制装置,需要配合温控器以及两通阀一起使用。电热执行器是通过感温元件热胀冷缩原理来实现温度调节功能。
应用领域:
用于散热器
用于地板采暖系统
用做区域阀
用于空调系统
主要特点:
根据温控器的指令执行开/关阀门的动作
可匹配DN20/DN25两款阀体
具备IP41的防护等级
执行器与阀体可拆卸,施工方便
具备断电自开功能
技术参数:
电源:AC/DC 24V±0.1V
环境温度:≤60℃
功率:≤3W(初始时≤9W)
防护等级:IP41
外接线长:1.5m
动作时间:约12分钟(3分钟基本行程结束,12分钟完全行程结束,)
工作行程:约3.5mm
外形大小:72mmx60mmx42mm
室温采集器
STA-05
一、产品介绍
基于GRPS的室温采集器是面向室内温度远程监测应用而开发的远程温度测量工具。主要用于供热、楼宇自控、空调、环境控制、工业温度控制、农业大棚种植、医疗、科研、节能等需要远程监测温度的应用中。
二、工作原理:
无线温度采集系统是由无线温度采集器、监控中心设备和监控中心软件组成。工作原理是在那些需要对温度监控和测量的地方放置若干个无线温度采集器并通过GPRS的方式将所得到的温度数据发送到监控中心,然后监控中心在再将数据传送给监控中心软件使其对无线采集器进行控制,同时对数据进行存储和查询统计。
三、特点
即插即用,无需安装调试。
提供便捷多样的远程数据服务。
基于手机网,手机网覆盖区域均可直接使用。
高精度测温电路设计,测温精度高。
网络浏览器直接访问数据中心软件即可查看温度。
支持手机访问。
实时天气预报。
万年历。
四、技术指标
功耗:锂电池充满电后,设备可工作4个月,3小时发送一次。 待机电流小于15UA(使用时间跟发送频率有关)。
温度采集周期:10-360分钟(推荐1小时)。
采集存储频率:10-360分钟(推荐1小时)。
通讯接口:GPRS,USB。
充电8个小时。
电源适配器:5V/2A。
充电锂电池:3000 mAh /3.7V。
系统自动校时功能,需要服务器支持。
五、应用领域
热力供暖公司、保鲜产品的运输和仓储温度监测、测量控制系统、仓储温度监测、环境监测、工农业科研生产过程温度采集、其他领域远程温度采集应用等。
电动开关球阀
功能
通过切换供电线路对阀门进行通和断的操作,断电保持常开。
型号
S M E C - 7 0 6 D / 1 5 :配套D N 1 5球阀;
S M E C - 7 0 6 D / 2 0 :配套D N 2 0球阀;
S M E C - 7 0 6 D / 2 5 :配套D N 2 5球阀;
S M E C - 7 0 6 D / 3 2 :配套D N 3 2球阀;
技术参数:
驱动电压:AC 24V
控制方式:三线二控
功率:2W(启闭动作时)
安装特性:执行器快装设计,可先装阀体
阀体承压:1.6MPa
适用环境温度:0~65℃(执行器)
启闭时间:15秒(启闭总时长30秒)
断电处理:断电常开
使用介质:水、气、油
使用介质温度:1~120℃
连接方式:螺纹管
阀体材质:锻造黄铜,球体黄铜镀镍
阀体口径:DN15、DN20、DN25、DN32
扭矩范围:0~15N?m
防护等级:IP65(执行器)
外壳尺寸:84mm×77mm×130mm(长×宽×高)
外接线长:1.5m
运行性能:10万次
应用领域:采暖企业节能控制,暖通空调水系统,智能农业种植,智能养殖, 智能灌溉,油气集输系统等.
注意事项
电动开关球阀在通电情况下,请勿将手指或其他物品放入阀门内,以免在球阀转动过程中造成伤害或损失。
户用热量表集抄系统
户用热量表法集抄系统由安装在每栋建筑物供暖入口处的楼前热量表和楼内各户的供暖入口处的分户热量表组成。分摊给用户的热量根据分户热表的读数来分摊楼栋总耗热量。
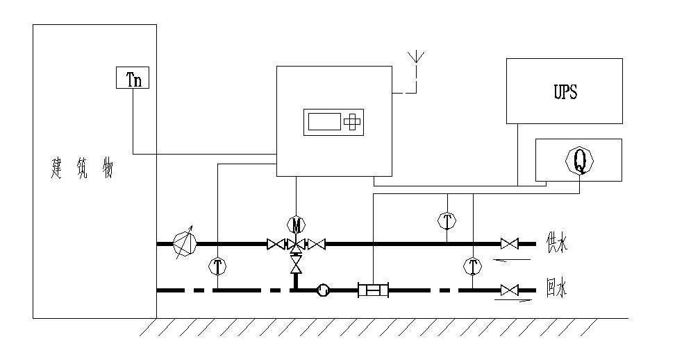
公共建筑供热计量调控系统
公共建筑热计量调控系统是用于实现公共建筑供热量计量与节能调控的,在具有连续采暖用户和分时段采暖用户的混合用户系统中,可在保证连续采暖用户正常供热的同时,对地区、分时段的采暖用户进行独立管理。
控制模式:
远程/本地自动控制
远程/本地手动控制
停电报警及故障处理
防冻保护功能
液晶显示
通讯功能
调控原理图:
公共建筑热计量调控原理图(1)——电动阀
公共建筑热计量调控原理图(2)——电动三通阀
公共建筑热计量调控原理图(3)——旁通电动阀
公共建筑热计量调控原理图(4)——水泵系统
(待美化)
现场情况:
供热信息管理平台
供热信息管理平台可以及时、直观地掌握城市范围内的供热运行与计量系统的运行情况,为政府供热监管部门提供可靠的决策依据。
供热信息管理平台具有:数据监测、热费管理、统计分析、故障预警、投诉管理、基础信息管理和权限管理七大功能。
合同能源管理
合同能源管理(EMC)是一种新型的市场化节能机制,是一种由节能服务公司提供节能服务,包括解决方案、投资、技术、设备、运行管理等,而业主则不用投入,在合同期节能服务公司与客户企业分享节能收益,并由此得到应回收的投资和合理的利润。合同结束后,高效的设备和节能效益全部归业主方所有。
近几年来,我公司先后与北京大龙供热中心、北京戏剧学校、北京地铁车辆厂、石家庄铁道学院等项目上,采用合同能源管理的模式,由我公司投资进行节能改造,均取得了预期的节能效益。我公司与北京大龙供热中心签订的合同能源管理项目,被北京市发展和改革委员会列入《北京市合同能源管理成果汇编》。
业务流程:
通断时间面积法供热计量温控系统
通断时间法供热计量温控系统是由无线室温采集器、无线阀门控制器、热电阀、楼栋处理器和楼栋热量表、管理软件组成,适用于按户分环的室内供暖系统。
无线连接
现场情况:
通断时间法供热计量温控系统图(1):
有线连接
通断时间法供热计量温控系统图(2):
通断时间面积法供热计量温控系统图(3)
流量温度法供热计量分摊系统
流量温度法供热计量分摊系统是由无线室温采集器、无线水温采集器、热量分配查询器(楼栋处理器)和楼栋热量表、管理软件组成,适用于垂直单管或按户分环的室内供暖系统。
流量温度法供热计量分摊系统结构图:
现场情况:
温度面积法供热计量温控系统
温度面积法供热计量温控系统(SMEC3000)由无线温控器、楼栋处理器、楼栋热量表和结算管理中心软件组成,适用于按户分环的室内供暖系统。
温度面积法供热计量温控系统图:
现场照片:
区域锅炉房节能控制系统
区域锅炉房通常用于医院、学校、公共建筑或小区的供热,通常有采暖、生活热水等多种供热需求,出水温度不同,系统使用时间也不同。针对上述特点,区域锅炉房的节能控制系统通常采用锅炉集控、气候补偿、分时分区、水泵变频等多项节能控制技术。
一、区域锅炉房直供系统
区域锅炉房直供系统的节能控制原理图(1)
区域锅炉房直供系统的节能控制原理图(2)
区域锅炉房直供系统的节能控制原理图(2)
二、区域锅炉房间供系统
燃气锅炉房间供系统节能控制原理图
无线室温采集
系统具有:
使用简单,只需将无线室温采集器放入用户室内,即可远程获取实时监测的温度。
功耗低,采用锂电池供电,可采集用户一个采暖季的温度。
初投资少,运行费用低,公共频段,无线传输。
热电厂首站监控系统主要实现:
1、管理控制首站供热设备的运行
自动监控生产运行参数的现场显示
软化水箱水位控制
凝水箱水位控制
补水自动控制
转速调节、台数控制和旁通控制
负荷控制与调节
2、通讯功能,采集生产数据,向管理平台传送
3、根据中指令和设定值对传动单元实施控制
4、对全热网进行热能计量
5、分析、整理运行资料并打印各种报表及记录
