- 总人气:1595
- 商铺人气:1146
- 产品人气:429
- 资讯人气:20
产品展示列表
ZSTWC中速水雾喷头概述: 水雾喷头是水喷雾灭火系统中的一个组成部件。该水雾喷头通常与供水管网、控制阀门、探测报警器等组成自动喷雾灭火系统,起到灭火、控火、封堵隔断、冷却、暴露防护及预防火灾的作用。 可以水平安装,也可以下垂、斜向方向安装。 本类喷头可以喷放3%、6%水成膜混合液,产生低倍数泡沫进行覆盖灭火。 执行标准:GB5135.1-2003《自动喷水灭火系统水雾喷头的性能要求和试验方法》说明: ZSTWC型中速水雾喷头是一种撞击雾化型喷头,用来保护闪点在66℃以下的易燃液体、气体和固体危险区域。在火灾期间,该喷头对火灾区域附近各种建筑物的外露吸热表面连续喷射水雾,防止外露表面吸热和火灾蔓延,以保护各种建筑物的安全。 该水雾喷头根据需要可以水平安装,也可以下垂、斜向方向安装。特点:1)额定工作压力:0.35MPa,工作压力范围:0.14-0.5MPa2)雾化形式:压力水进入喷头后,经收缩流速加快,撞击至特定的溅水盘分解形成雾化。3)雾滴直径:Dv0.9<900μm。其它:1)可根据防护区域的要求配置:万向接头、过滤网。2)本产品采用黄铜棒材制造,外表面镀铬,特殊要求可提供不锈钢材质。
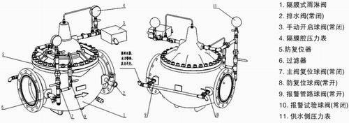
ZSFG型(杠杆式)雨淋报警阀:ZSFG雨淋阀装置属杠杆结构,具有防复功能,符号GB5135.5-2003标准的产品。雨淋阀装置广泛用于式系统(系统侧管上为开式喷头),如雨淋系统,水幕系统和水雾系统。雨淋阀装置的开启,是将雨淋阀膜片室内的压力释放,利用供水侧压力将阀瓣打开。膜片室内压力释放可采用多种方式进行,即电气引导方式,湿式引导方式和干式引导方式。欢迎你的来电咨询!本公司能给你提供更多的资料。技术参数:型号公称通径(mm)额定工作压力(mpa)阀体高度(mm)法兰外径(mm)法兰螺孔中径(mm)螺孔数及直接(mm)ZSFGDN1001.23502201808×Ф18ZSFGDN1501.23502852408×Ф22ZSFGDN2001.243034029512×Ф22
