- 总人气:8021
- 商铺人气:2114
- 产品人气:5483
- 资讯人气:424

- 型号:ZWIN
- 价格:电议
- 最小起订量:1个
- 供货总量:2000个
- 产品介绍
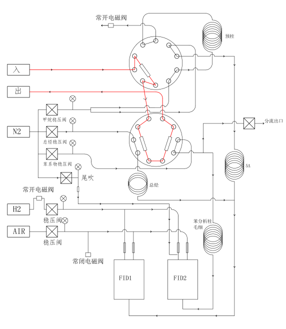
挥发性有机物在线监测系统组成如下所示:监测系统主要由VOCs监测子系统、烟气参数监测子系统、数据采集与处理系统3个模块组成。VOCs监测子系统主要包括气体取样、预处理系统、辅助和标定气体单元及污染物分析仪,可以测得非甲烷总烃的含量。烟气参数监控子系统包括温度、压力、流速,该子系统可测定烟道的温度、压力和流速等数据。数据采集与处理系统包括数模转换模块、工控机、数据采集与处理软件及数据传输单元等,能够接收和处理来自各个测量模块的监测组分浓度信息和工作状态信息,具有生成报表、存储数据、查询历史记录、与环保部门联网通信等功能,为用户统一管理、及时响应和快速决策提供依据。

1)气相色谱仪的工作原理
气相色谱分析技术是一种多组分混合物的分离、分析的技术。它主要利用样品中各组份的沸点、极性及吸附系数在色谱柱中的差异,使各组份在色谱柱中得到分离,并对分离的各组分进行定性、定量分析。
气相色谱仪以气体作为流动相(载气),当样品被送入进样器并气化后由载气携带进入填充柱或毛细管柱,由于样品中各组份的沸点、极性及吸附系数的差异,使各组份在柱中得到分离,然后由接在柱后的检测器根据组份的物理化学特性,将各组份按顺序检测出来,最后将转换后的电信号送至色谱工作站,由色谱工作站将各组份的气相色谱图记录并进行分析,得到各组份的分析结果。其工作原理简图如下图所示:

由于该分析方法具有分离效能高、分析速度快、样品用量少等特点,已广泛应用于石油化工、生物化学、医药卫生、卫生检疫、食品检验、环境保护、食品工业、医疗临床等部门。气相色谱法在这些领域中较好地解决了工业生产的中间体和工业产品的质量检验、科学研究、公害检测、生产控制等问题。
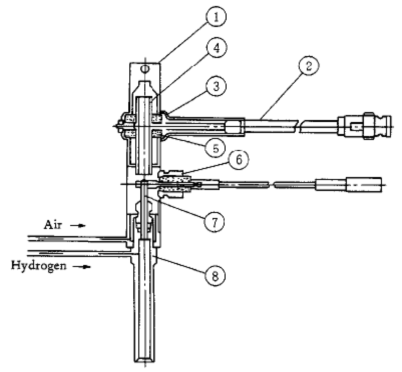
2)氢火焰离子化检测器(FID)
FID检测器属于质量型检测器,不仅具有灵敏度高、线形范围宽的特点,而且对操作条件变化相对不敏感,稳定性好。特别适合做常量或微量的常规分析,因为响应快所以与毛细管分析技术配合使用可完成痕量的快速分析,是气相色谱仪器中应用最广泛的检测器之一。可配备两个独立的氢火焰离子化检测器。下图为FID检测器结构示意图。

1 防尘帽 2 信号线 3 压板 4收集极 5绝缘片 6 极化电压 7 喷嘴 8 离子室底座
FID检测器结构示意图
FID检测器置于主机的顶部前端。其基座安装在一个导热体内,该导热体同时还装有加热元件和感温元件,与温度控制系统相接以控制其加热温度。极化极接至FID放大器高压输出。收集极输出信号是通过低噪声电缆线与FID微电流放大器相连。氢气和空气由不锈钢管从主机侧方的气路控制系统接入。
火焰离子化检测器的原理是:被测样品在氢火焰中燃烧,产生离子流,在极化电场的作用下使正负离子定向移动,到达收集极从而产生了微弱的电流信号,经过微电流放大器放大、处理后,再输送到工作站。
3)技术参数:
测量项目 | 非甲烷总烃/总碳氢化合物/甲烷 苯、甲苯、乙苯、二甲苯等苯系物 |
检测器 | GC-FID |
量程 | 0-10/100/1000/10000 ppm(以C计)可扩展,多量程切换 0-10/100/1000/10000 ppm(以苯计)可扩展,多量程切换 |
测量周期 | <60s(非甲烷总烃、总烃、甲烷) <5min(苯、甲苯、乙苯、二甲苯) |
零点/量程漂移 | 2%FSD /24hours |
重复性 | RSD<3%(总烃、苯) |
最小检出限 | <0.05 ppm(甲烷) <0.1 ppm(苯) |
FID 燃料气/助燃气 | H2/空气 |
FID载气 | 高纯氮(99.999%) |
FID 助燃气 | 无油/水洁净空气 |
读值 | ppb、ppm、mg/m3 可根据客户需求 |
输出 | RS485、RS-232,TCP/IP,Modbus |
报警功能 | 仪器状态报警、浓度报警 |
环境温度 | 5~40°C |
环境湿度 | <90%RH |


