- 主营产品:
- 主要产品方案为: * LCD驱动板、FPV、UHF、900M、2.4G、5.8G无线影音模组; *460M-6G任意频点无线影音加密模组定制; *2.4G数字BABY MONIGOR数字影音产品定制; *2.4G数字双向可视对讲,可视门铃产品定制; *车载后视、DV、BABY、MONITOR、DVR、CMOS、CCD方案; *IPAD/IPHONE/IPOD无线影音传输,无线投影仪、播方器方案; *5.8G四轴飞行器、FVP、5.8G转WIFI中继无人机图传等无线图传方案。
- 所在地区:
- 广东 深圳 宝安区
- 联系电话:
- 13537715306
- 手机号码:
- 联 系 人:
- 罗运河
- 公司邮箱:
- 总人气:4411
- 商铺人气:870
- 产品人气:3541
- 资讯人气:0

- 型号:S-RX28
- 价格:36
- 最小起订量:1个
- 供货总量:9997个
- 产品介绍
本模块属于 2.4G频段内与工业、科学和医疗等非无线通信设备共用频率的短距离微功率无线电通信设备,可在有限范围内传输音频与 /或视频。采取低功耗设计,集成 VCO、PLL、宽带 FM视频解调、
FM伴音载频,使模块体积更小;采取插件封装形式,方便用户的安装要求。
本模块的应用只需简单连接电源,单 双音频线,视频线,接上天线就可接收音乐、图像信号。
特性
2.4G 宽带FM接收
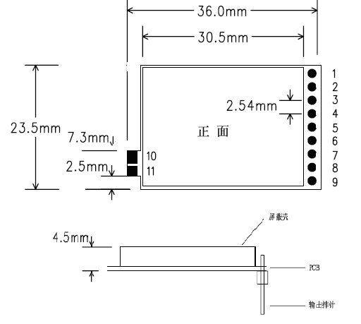
小体积:36*23.5*6mm
低功耗:3.3v110mA
高接收灵敏度:-90dBm
低杂波泄漏:符合CE,FCC要求。
直接输出音频、视频信号。
8频道接收。
开关工作模式:8 LED
插件安装,方便用户使用。
应用
1.VCD/DVD/DVB音频/视频无线传输;
2.双声道无线音箱;
3.婴儿监视;
4.实时现场图像监控;
5.安防传输系统;
6.PSP游戏转TV
7.无线可视倒车

脚位脚 名说 明
1VIDEO 视频输出,输出阻抗为75欧
2AUDIO_6.5M 音频输出(R_6.5M)
3AUDIO_6M 音频输出(L_6.0M)
4VCC5V 电源输入
5GND 电源地
6CH1(CLK) 频道1开关输入 低有效
7CH2(LE) 频道2开关输入 低有效
8CH3(DATA) 频道3开关输入 低有效
9BXBX 默认频点模式接地
10ANT 天线输入 阻抗50欧
创意无线(www.cyeyes.cn)创于1998年,是一家从事无线图传设备,2.4G无线影音传输、5.8G无线影音传输、FPV无人机图传、玩具飞机图传,4.3寸、7寸显示屏驱动,无线数字车载、行车记录仪、LCD驱动板、UHF、WIFI图传等无线影音传输方案的软、硬件系统开发与服务商。引领无限影音安防电子产品新潮流,无线创意无线图传助您在激烈的市场竞争中抢占先机,尽显优势!电 话:0755-85299996
