- 总人气:10975
- 商铺人气:1669
- 产品人气:9261
- 资讯人气:45
产品详细

EPP40T三相电源浪涌保护器
- 型号:EPP40T
- 价格:电议
- 最小起订量:1个
- 供货总量:1000个
- 产品介绍
EPP系列交流型电源SPD是由多个单片式防雷芯片组成,针对不同配电系统所要求,可以自由组合成单相或三相保护,防止感应过电压或操作过电压对低压用电设备的损坏
型号 | 三相 | EPP40T |
单相 | EPP40S |
最大持续运行电压Uc | 385VAC |
SPD试验类别 | T2 |
标称放电电流In | 20KA |
最大放电电流Imax | 40KA |
电压保护水平 Up | 1.8KV |
电压保护水平 Up(In=5kA) | 1.2KV |
适用电网 | 220V/380VAC(50Hz) |
外形尺寸 | 74mmx88mmx74mm(T) 38mmX88mmX74mm(S) |
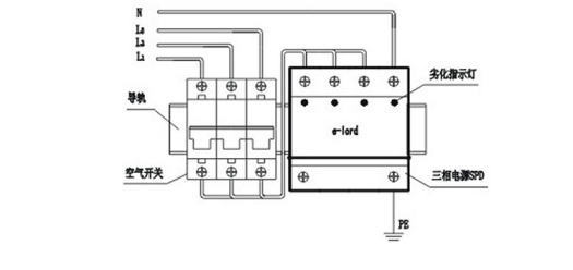
功能特点 | 老化热脱扣和短路过流脱扣(杜绝起火爆炸)、指示灯可视告警、 热备份、老化预报、35mm标准导轨安装 |
SPD与设备的接线方式
安装使用条件 | 安装注意事项 |
1. 已有可靠接地系统,在配电柜(避雷器安装处)的接地桩 条)上进行接地电阻的测定,电阻应符合相关规范要求。 (或满足国家、部级标准)。 2. 配电柜中应留有安装避雷器的空间,
注:L为火线;N为电源零线;PE为地线。 | 应检查空气开关已经合闸导通,以保证避雷器处于运行状态; 不要在雷雨天安装。 |


