- 总人气:2266
- 商铺人气:802
- 产品人气:1464
- 资讯人气:0
产品详细

IBA智能家庭背景音乐系统中央主机系列-6684
- 型号:IBA-6684
- 价格:电议
- 最小起订量:1个
- 供货总量:20个
- 产品介绍
家庭背景音乐系统的设计指导原则,通过充分了解客户需求,将IBA家庭背景音乐系统的突出优势充分表现出来。控制方便,追求最佳音质效果充分体现在我们的设计中。
特色功能
优秀音质表现

高保真、双声道立体声音乐,每路功率为25W+25W,EQ调节模式,根据喜好调节高低音,无论是悠扬飘渺的轻音乐还是动感震撼的HI-FI舞曲都可淋漓表现,给您高品质的生活带来高品质的音乐享受;

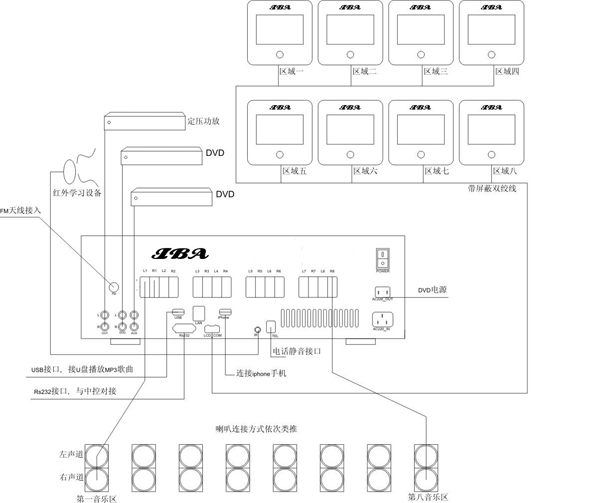
IBA家庭背景音乐系统采用星型布线结构,主机是系统的中心,标准控制面板或者液晶控制面板通过8芯线或者4芯线与主机相连接,喇叭选用300编音响线与主机相连接。控制线:
系统提供有两个控制线接口--4芯控制线接口及8芯控制线接口。施工布线可以选择4芯线或者8芯线做为控制线,直接连接主机或者连接到
专用接线板,通过接线板再与主机相连接(接线板见后面说明)。 音响线:选用150编以上的优质音响线。直接连接主机或者连接到
专用接线板,通过接线板再与主机相连接。 其他:如果
中央智能主机和作为音源的 DVD 不摆放在一起,DVD 和主机之间还需要布好音频线(最好有屏蔽,且距离不要超过 5 米)。 建议DVD和
中央智能背景音乐主机摆在一起,红外控制器和主机之间不需要布线。 布线是系统安装的基础,为了确保布线质量,建议完成布线之后用万用表检测每一根线是否断路,是否短路。 实践表明,很多现场工程问题是由布线引起,因此,布线一定要仔细,有的短路甚至会烧毁设备。



