- 总人气:1551
- 商铺人气:1027
- 产品人气:511
- 资讯人气:13

- 型号:AITR-6.3KVA AID100
- 价格:面议
- 最小起订量:0
- 供货总量:0
- 产品介绍
产品介绍

4.1 AITR系列隔离变压器
AITR系列隔离变压器专门用于医疗IT系统,产品铁芯采用日本进口的硅钢片叠加而成,损耗很小。绕组与绕组之间采用了双重绝缘处理,并设计了静电屏蔽屏,最大程度减少了两绕组之间的电磁干扰。绕组内安装了PT100温度传感器,可用于监测绕组温度。变压器整体采用真空侵漆处理,增加了机械强度并具有抗腐蚀作用。另外,产品还采用了低温升和低噪声设计,使其具有很好的温升性能和很低的噪声。
4.1.1命名规则

4.1.2 符合标准
◆ GB19212.1-2008/IEC 61558-1:2005《电力变压器、电源、电抗器和类似产品的安全 第1部分:通用要求和试验》;
◆ GB19212.16-2005/IEC 61558-2-15:1999《电力变压器、电源装置和类似产品的安全第16部分:医疗场所供电用隔离变压器的特殊要求》;
◆ GB16895.24-2005/IEC60364-7-710:2002《建筑物电气装置第7-710部分:特殊装置或场所的要求—医疗场所》。
4.1.3性能参数

4.1.4外形尺寸

4.2 AIM-M100绝缘监测仪

AIM-M系列绝缘监测仪是一款高性能的绝缘监测装置,专用于医疗IT系统中,用于监测IT系统对地的绝缘状态,当系统出现绝缘故障时,能够及时发出报警信号,提醒工作人员根据实际情况进行处理。产品具有丰富的显示与报警指示功能,界面友好,操作方便。
4.2.1 产品功能
◆ 具有对被监测IT系统对地绝缘电阻、变压器负荷电流、变压器绕组温度实时监测与故障报警功能;
◆ 能实时监测与被测系统连线断线故障、温度传感器断线故障以及功能接地线断线故障,并在故障发生时给出报警指示;
◆ 继电器报警输出、LED报警指示等多种故障指示功能;
◆ 采用先进的现场总线通讯技术,与外接报警和显示仪、上位机管理软件通讯,可以实时监控IT系统的运行状况;
◆ 具有事件记录功能,能够记录报警发生的时间和故障类型,方便操作人员分析系统运行状况,及时消除故障。
4.2.2 符合标准
◆ GB16895.24-2005/IEC60364-7-710:2002《建筑物电气装置第7-710部分:特殊装置或场所的要求—医疗场所》;
◆ IEC 61557-8-2007《交流1000V和直流1500V以下低压配电系统电气安全防护检测的试验、测量或监控设备 第8部分:IT系统用绝缘监测装置》。
4.2.3 技术参数

4.2.4 外形及安装尺寸(单位:mm)

4.3 AID系列报警与显示仪

AID系列报警与显示仪是一款采用先进的现场总线通信技术的远程显示和声光报警装置。能够实时显示AIM-M系列医疗智能绝缘监测仪当前绝缘电阻、变压器负荷率等监测数据,并在系统出现故障时发出声光报警信号。也可以通过AID系列报警与显示仪远程设置AIM-M系列医疗智能绝缘监测仪的报警阈值。AID系列报警与显示仪根据安装方式和显示方式的不同共有AID100、AID120和AID200三个型号。该装置可安装于手术室或重症监护室内的信息控制面板上,以便于医护人员了解隔离电源系统的运行状况,以及系统出现故障时的故障类型。
4.3.1 产品功能
◆ 可实时显示绝缘监测仪的监测结果;
◆ 可远程设置绝缘监测仪的报警参数;
◆ 采用现场总线通讯技术,可实时获取绝缘监测仪的监测数据和报警信息;
◆ 故障时可以声光报警,按下消音键后,声音关闭,相应的故障指示灯不会熄灭,直到故障解除为止。
4.3.2 符合标准
◆ GB16895.24-2005/IEC60364-7-710:2002《建筑物电气装置 第7-710部分:特殊装置或场所的要求医疗场所》。
4.3.3 技术参数

4.3.4 外形尺寸


4.4 直流稳压电源
4.4.1 ACLP10-24直流稳压电源

仪表专用的直流稳压模块,采用完全隔离的线性变压器。具有输出电压稳定,纹波小、耐压等级高等特点,并带有电源上电指示功能。模块采用标准导轨安装的方式,可以和绝缘监测仪安装在同一导轨上,安装方便。
4.4.1.1 符合标准
◆ GB19212.1-2008/IEC 61558-1:2005《电力变压器、电源、电抗器和类似产品的安全第1部分:通用要求和试验》;
◆ GB19212.16-2005/IEC 61558-2-15:1999《电力变压器、电源装置和类似产品的安全 第16部分:医疗场所供电用隔离变压器的特殊要求》。
4.4.1.2 技术参数

4.4.1.3 外形及安装尺寸(单位:mm)


4.4.2 DR-60-24直流稳压电源

DR-60-24直流稳压电源可同时为AIM-M200医用智能绝缘监测仪、ASG100测试信号发生器、AIL100系列绝缘故障定位仪和AID200集中报警与显示仪等仪表提供直流24V电源。该电源功率大、电压输出稳定、安装方便,可满足上述仪表的供电要求,是推荐的电源产品。
4.4.2.1 选型推荐

4.4.2.2产品外形及安装尺寸(单位:mm)

4.5 ASG100测试信号发生器

ASG100测试信号发生器采用32位微处理器芯片和高精度的信号产生电路,实现特定测试信号的产生。当被监测的IT系统出现绝缘故障时,能及时启动并产生测试信号,配合绝缘故障定位仪实现绝缘故障定位。
4.5.1 符合标准
◆ IEC 61557-9-2007《交流1000V和直流1500V以下低压配电系统电气安全 防护检测的试验、测量或监控设备 第9部分:IT系统用绝缘故障定位装置》。
4.5.2技术参数

4.5.3 外形及安装尺寸(单位:mm)


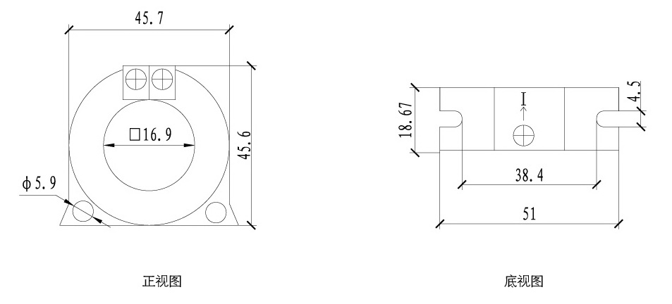
4.6 AIL100系列绝缘故障定位仪

AIL100-4/AIL100-8绝缘故障定位仪采用高灵敏度互感器配合高精度的信号检测电路,检测ASG100测试信号发生器注入系统中的信号,准确定位绝缘故障所在的回路。其中AIL100-4绝缘故障定位仪能定位4个回路的绝缘故障,AIL100-8绝缘故障定位仪能定位8个回路的绝缘故障。
4.6.1符合标准
◆ IEC 61557-9-2007《交流1000V和直流1500V以下低压配电系统电气安全 防护检测的试验、测量或监控设备 第9部分:IT系统用绝缘故障定位装置》。
4.6.2 技术参数
![]()






