- 总人气:1551
- 商铺人气:1027
- 产品人气:511
- 资讯人气:13
产品详细

医用隔离电源绝缘监测装置及监控系统
- 型号:GGF-I6.3
- 价格:面议
- 最小起订量:0
- 供货总量:0
- 产品介绍
1 概述
随着电子医疗设备在医院领域的广泛应用,漏电流对病人构成的威胁也越来越大,尤其是那些生命攸关的场所,病人在手术中或麻醉状态下,各种电极、传感器直接插入人体内,微小的漏电流都有可能导致病人触电身亡。因此,对于医院这一特殊场所的电气设计,应严格按照国家标准和规范进行。
安科瑞医用IT系统绝缘监测装置及系统适用于医院的手术室、ICU(CCU)监护病房等重要场所,能为这类场所提供安全、连续、可靠的供电解决方案。
2 医用隔离电源监控器
2.1 适用环境
◆ 工作温度:-10℃~+55℃
◆ 储存温度:-20℃~+70℃
◆ 相对湿度:≤95%不结露
◆ 海拔高度:≤2500m
◆ 污染等级:Ⅲ 级,安装类别:Ⅲ 级
◆ 污染等级:Ⅲ 级,安装类别:Ⅲ 级
2.2 主要组成部件
安科瑞医用隔离电源监控器柜主要功能及组成部件见下表。

2.3 实体结构图

1:报警指示灯(红色),系统接收到监控报警信号时指示灯点亮。
2:通讯故障指示灯(黄色),系统通讯异常时指示灯亮。
3:运行指示灯(绿色),系统正常运行时指示灯点亮。
2.4 软件界面

医用隔离电源监控器柜可对安装于各ICU病房、重症监护室的IT系统的运行状态进行集中的、实时的监测与显示,监测参量含IT系统对地绝缘电阻、变压器负荷电流、变压器绕组温度及绝缘故障回路等;系统具有一次图及现场分布图显示功能,便于及时、直观地发现IT供电系统的报警地点或区域;

医用隔离电源监控器柜的显示屏为触摸显示方式。系统可单独调用某个IT供电系统的监测画面,并可通过手动选择该IT供电系统查询其变压器运行的详细状态,具有断线故障检测功能,如与被测系统连接线断线故障、温度传感器断线故障以及功能接地线断线故障等功能;

医用隔离电源监控器柜具有报警显示与记录功,可记录报警发生的时刻、报警类型及报警值等信息,并可支持报警声音(报警声音也可屏蔽),方便运维人员分析系统运行的历史情况,及时排除故障。
3 医疗场所的供电解决方案
3.1 ICU、CCU病房配电解决方案(以GGF-I8G隔离配电柜系统图为例)

方案一 不带绝缘故障定位功能

方案二 带绝缘故障定位功能
方案配置表

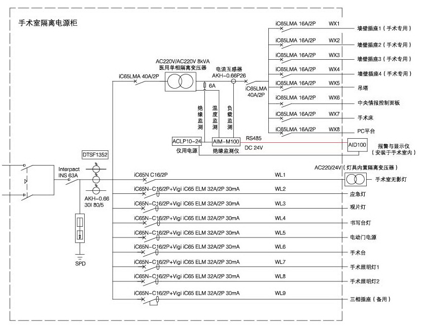
3.2 手术室配电解决方案(以GGF-O8G隔离配电柜系统图为例)

方案一 不带绝缘故障定位功能

方案二 带绝缘故障定位功能
方案配置表
3.3 医用隔离电源柜
医用隔离电源柜是针对医疗2类场所的供电需求而设计的具有局部IT系统的配电柜,IT系统装设绝缘监测装置来监测系统的绝缘状况,各输出回路采用了具有短路保护功能的断路器;TN-S系统输出回路则采用了具有漏电保护功能的断路器。产品根据使用场所的不同分为GGF-O系列手术室用隔离电源柜、GGF-I系列ICU/CCU等病房用隔离电源柜,以及隔离变压器外置,嵌入墙体安装,用于手术室配电的GRF-O和用于ICU/CCU等病房的GRF-I隔离电源柜四类,这些产品能够很好的满足各类手术室和重症监护室对电源安全性和可靠性的要求,并符合GB16895.24-2005/IEC60364-7-710:2002《建筑物电气装置第7-710部分:特殊装置或场所的要求—医疗场所》和GB7251.1-2005/IEC 60439-1:1999《低压成套开关设备和控制设备》等标准。

3.3.1 技术参数

注:GGF-IXF和GGF-OXF隔离电源柜为隔离变压器外置,分体式安装的配电柜。
3.3.2 产品命名规则

3.3.3 定货信息


3.3.4 产品外形尺寸(单位:mm)




4.1 AITR系列隔离变压器
AITR系列隔离变压器专门用于医疗IT系统,产品铁芯采用日本进口的硅钢片叠加而成,损耗很小。绕组与绕组之间采用了双重绝缘处理,并设计了静电屏蔽屏,最大程度减少了两绕组之间的电磁干扰。绕组内安装了PT100温度传感器,可用于监测绕组温度。变压器整体采用真空侵漆处理,增加了机械强度并具有抗腐蚀作用。另外,产品还采用了低温升和低噪声设计,使其具有很好的温升性能和很低的噪声。
AITR系列隔离变压器专门用于医疗IT系统,产品铁芯采用日本进口的硅钢片叠加而成,损耗很小。绕组与绕组之间采用了双重绝缘处理,并设计了静电屏蔽屏,最大程度减少了两绕组之间的电磁干扰。绕组内安装了PT100温度传感器,可用于监测绕组温度。变压器整体采用真空侵漆处理,增加了机械强度并具有抗腐蚀作用。另外,产品还采用了低温升和低噪声设计,使其具有很好的温升性能和很低的噪声。
4.1.1命名规则

4.1.2 符合标准
◆ GB19212.1-2008/IEC 61558-1:2005《电力变压器、电源、电抗器和类似产品的安全 第1部分:通用要求和试验》;
◆ GB19212.16-2005/IEC 61558-2-15:1999《电力变压器、电源装置和类似产品的安全第16部分:医疗场所供电用隔离变压器的特殊要求》;
◆ GB16895.24-2005/IEC60364-7-710:2002《建筑物电气装置第7-710部分:特殊装置或场所的要求—医疗场所》。
4.1.3性能参数

4.1.4外形尺寸


4.2 AIM-M100绝缘监测仪
AIM-M系列绝缘监测仪是一款高性能的绝缘监测装置,专用于医疗IT系统中,用于监测IT系统对地的绝缘状态,当系统出现绝缘故障时,能够及时发出报警信号,提醒工作人员根据实际情况进行处理。产品具有丰富的显示与报警指示功能,界面友好,操作方便。
4.2.1 产品功能
◆ 具有对被监测IT系统对地绝缘电阻、变压器负荷电流、变压器绕组温度实时监测与故障报警功能;
◆ 能实时监测与被测系统连线断线故障、温度传感器断线故障以及功能接地线断线故障,并在故障发生时给出报警指示;
◆ 继电器报警输出、LED报警指示等多种故障指示功能;
◆ 采用先进的现场总线通讯技术,与外接报警和显示仪、上位机管理软件通讯,可以实时监控IT系统的运行状况;
◆ 具有事件记录功能,能够记录报警发生的时间和故障类型,方便操作人员分析系统运行状况,及时消除故障。
4.2.2 符合标准
◆ GB16895.24-2005/IEC60364-7-710:2002《建筑物电气装置第7-710部分:特殊装置或场所的要求—医疗场所》;
◆ IEC 61557-8-2007《交流1000V和直流1500V以下低压配电系统电气安全防护检测的试验、测量或监控设备 第8部分:IT系统用绝缘监测装置》。
4.2.3 技术参数

4.2.4 外形及安装尺寸(单位:mm)
4.3 AID系列报警与显示仪


AID系列报警与显示仪是一款采用先进的现场总线通信技术的远程显示和声光报警装置。能够实时显示AIM-M系列医疗智能绝缘监测仪当前绝缘电阻、变压器负荷率等监测数据,并在系统出现故障时发出声光报警信号。也可以通过AID系列报警与显示仪远程设置AIM-M系列医疗智能绝缘监测仪的报警阈值。AID系列报警与显示仪根据安装方式和显示方式的不同共有AID100、AID120和AID200三个型号。该装置可安装于手术室或重症监护室内的信息控制面板上,以便于医护人员了解隔离电源系统的运行状况,以及系统出现故障时的故障类型。
4.3.1 产品功能
◆ 可实时显示绝缘监测仪的监测结果;
◆ 可远程设置绝缘监测仪的报警参数;
◆ 采用现场总线通讯技术,可实时获取绝缘监测仪的监测数据和报警信息;
◆ 故障时可以声光报警,按下消音键后,声音关闭,相应的故障指示灯不会熄灭,直到故障解除为止。
◆ 可远程设置绝缘监测仪的报警参数;
◆ 采用现场总线通讯技术,可实时获取绝缘监测仪的监测数据和报警信息;
◆ 故障时可以声光报警,按下消音键后,声音关闭,相应的故障指示灯不会熄灭,直到故障解除为止。
4.3.2 符合标准
◆ GB16895.24-2005/IEC60364-7-710:2002《建筑物电气装置 第7-710部分:特殊装置或场所的要求医疗场所》。
4.3.3 技术参数

4.3.4 外形尺寸


4.4 直流稳压电源
4.4.1 ACLP10-24直流稳压电源
4.4.1 ACLP10-24直流稳压电源

仪表专用的直流稳压模块,采用完全隔离的线性变压器。具有输出电压稳定,纹波小、耐压等级高等特点,并带有电源上电指示功能。模块采用标准导轨安装的方式,可以和绝缘监测仪安装在同一导轨上,安装方便。
4.4.1.1 符合标准
◆ GB19212.1-2008/IEC 61558-1:2005《电力变压器、电源、电抗器和类似产品的安全第1部分:通用要求和试验》;
◆ GB19212.16-2005/IEC 61558-2-15:1999《电力变压器、电源装置和类似产品的安全 第16部分:医疗场所供电用隔离变压器的特殊要求》。
4.4.1.2 技术参数

4.4.1.3 外形及安装尺寸(单位:mm)

4.4.2 DR-60-24直流稳压电源

DR-60-24直流稳压电源可同时为AIM-M200医用智能绝缘监测仪、ASG100测试信号发生器、AIL100系列绝缘故障定位仪和AID200集中报警与显示仪等仪表提供直流24V电源。该电源功率大、电压输出稳定、安装方便,可满足上述仪表的供电要求,是推荐的电源产品。
4.4.2.1 选型推荐
|
型号 |
输入 |
输出 |
安装方式 |
厂家 |
|
DR-60-24 |
100-240VAC 1.8A |
24VDC 2.5A |
35mm导轨安装 |
台湾明纬 |
4.4.2.2产品外形及安装尺寸(单位:mm)

4.5 ASG100测试信号发生器

ASG100测试信号发生器采用32位微处理器芯片和高精度的信号产生电路,实现特定测试信号的产生。当被监测的IT系统出现绝缘故障时,能及时启动并产生测试信号,配合绝缘故障定位仪实现绝缘故障定位。
4.5.1 符合标准
◆ IEC 61557-9-2007《交流1000V和直流1500V以下低压配电系统电气安全 防护检测的试验、测量或监控设备 第9部分:IT系统用绝缘故障定位装置》。
4.5.2技术参数
|
辅助电源 |
电压 |
DC24V(±25%) |
|
最大功耗 |
≤2VA |
|
|
被监测系统 |
额定电压 |
AC 220 V(±10%) |
|
额定频率 |
45 ~ 60Hz |
|
|
定位信号 |
定位电压 |
<25V a.c.r.m.s. |
|
定位电流 |
<1mA r.m.s. |
|
|
通讯 |
方式 |
CAN通讯 |
|
协议 |
自定义协议 |
4.5.3 外形及安装尺寸(单位:mm)


4.6 AIL100系列绝缘故障定位仪

AIL100-4/AIL100-8绝缘故障定位仪采用高灵敏度互感器配合高精度的信号检测电路,检测ASG100测试信号发生器注入系统中的信号,准确定位绝缘故障所在的回路。其中AIL100-4绝缘故障定位仪能定位4个回路的绝缘故障,AIL100-8绝缘故障定位仪能定位8个回路的绝缘故障。
4.6.1符合标准
◆ IEC 61557-9-2007《交流1000V和直流1500V以下低压配电系统电气安全 防护检测的试验、测量或监控设备 第9部分:IT系统用绝缘故障定位装置》。
◆ IEC 61557-9-2007《交流1000V和直流1500V以下低压配电系统电气安全 防护检测的试验、测量或监控设备 第9部分:IT系统用绝缘故障定位装置》。
4.6.2 技术参数
|
项目 |
指标 |
||
|
AIL100-4 |
AIL100-8 |
||
|
辅助电源 |
电压 |
DC24V(±25%) |
|
|
最大功耗 |
≤2VA |
||
|
被监测系统 |
额定电压 |
AC 220 V(±10%) |
|
|
额定频率 |
45 ~ 60Hz |
||
|
定位信号 |
定位电压 |
<25V a.c.r.m.s. |
|
|
定位电流 |
<1mA r.m.s. |
||
|
故障定位 |
最大回路数 |
4路 |
8路 |
|
响应时间 |
<2s |
||
|
通讯 |
方式 |
CAN通讯 |
|
|
协议 |
自定义协议 |
||
4.6.3外形及安装尺寸(单位:mm)

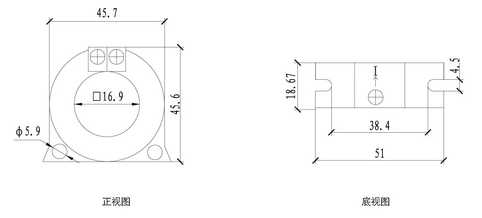
4.7 保护型电流互感器

AKH-0.66P26型电流互感器是与AIM-M100绝缘监测仪配套使用的保护型电流互感器,最大可测电流为50A,变比是2000:1,电流互感器采用螺丝直接固定的方式装于机柜内部,二次侧通过接线柱引出,安装和使用方便。
4.7.1技术参数

4.7.2 外形尺寸图(单位:mm)

5 资质证书

