- 总人气:5305
- 商铺人气:1960
- 产品人气:3345
- 资讯人气:0

- 型号:AGTX1
- 价格:电议
- 最小起订量:20个
- 供货总量:10000个
- 产品介绍
AGTX1 无线发射模块
AGTX1是一款具有高性价比、超低功耗的无线发射模块。
1)ASK/OOK调制方式
2)433MHz通讯
3)配合AGRX1无线接收模块,空旷地距离可达200m
4)工作电压,2.0V – 3.6V
5)工作温度,-40℃ - 60℃
6)发射功率为12dB,发射电流20MA@3.3V
7)传输速率 2.5Kbps
8)模块封装尺寸很小,贴装方便,31*13.5*4.5MM

AGRX1无线接收模块
1.模块参数
项目 | 数值 |
工作频率 | 433.92MHZ |
工作温度 | - 40℃ - 60℃ |
调制方式 | ASK/OOK |
传输速率 | 2.5Kbps |
工作电压 | 2.0 – 3.6 V |
发射功率 | 12dB |
发射电流 | 20MA@3.3V |
安装方式 | 卡扣式 |
模块尺寸 | 31*13.5*4.5MM |
2.管脚分布及功能

AGM1模块输入:接AGM1微动能发电模块输出
ANT :50欧姆天线,可用弹簧天线或者胶棒天线
3.天线要求
3.1天线要使用与433MHz相匹配的天线。
3.2天线最好直立安装,不可与金属相隔太近,防止屏蔽信号。
3.3产品正常工作时,不要用手触碰天线,以达到最好的通讯效果。
3.编码格式
AGTX1无线发射模块编码格式为
前导码 + 地址码 + 数据码 + 结束码
前导码:1111
地址码:A0A17
数据码:D1D0
结束码:0101
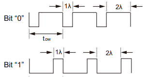
其中BIT0 BIT1编码如下图所示:

Bit 0为1 / 3 低电平 + 2 / 3 高电平
Bit 1为1 / 3 高电平 + 2 / 3 低电平
其中Tdw为发送1位(Bit0或Bit1的时间), 为400US
4.模块尺寸
模块尺寸如下图所示:
单位:MM

AGTX1 无线发射模块尺寸图
