- 总人气:3417
- 商铺人气:1630
- 产品人气:1711
- 资讯人气:76
产品详细

酒吧不规则拼接器
- 型号:hw
- 价格:1300
- 最小起订量:0
- 供货总量:0
- 产品介绍

深圳晶日盛科技有限公司成立于2006年,公司自创立以来,秉持专业、优质的服务精神,以“诚信、合作、学习、创新”为理念,凭借卓越的发展战略和专业的技术优势,积极为大陆LCD市场的发展推波助澜,为广大客户提供最优质的服务,并在广大客户和合作伙伴中树立了良好的企业形象。随着信息科技和光电产业的迅猛发展,深圳市晶日盛科技有限公司又将战略的眼光投向了LCDTV以及幕墙拼接处理系统方面之产品领域,并着力于市场需求的探索和技术实现上。我们充分发挥自身的优势
产品照片:
产品正面 

产品左侧面

产品右侧面

HW600A标准配置接口:
DVI接口,HDMI接口,VGA接口,CVBS接口,CVBS环出接口,RJ45控制输入接口,USB接口升级,RJ45控制环出接口,红外接口。
图片1

拼接控制软件说明:
1.主界面
图1

1.1主菜单
系 统
管 理 员:管理员登录。
产品选项:选择相应的产品型号。
定时系统:设置定时时间。
退 出:退出软件系统。
设 置
串口设置:设置使用的串口参数.
矩阵设置:设置矩阵的相关参数。
幕墙设置:幕墙设置参数。
幕墙颜色:幕墙颜色设置。
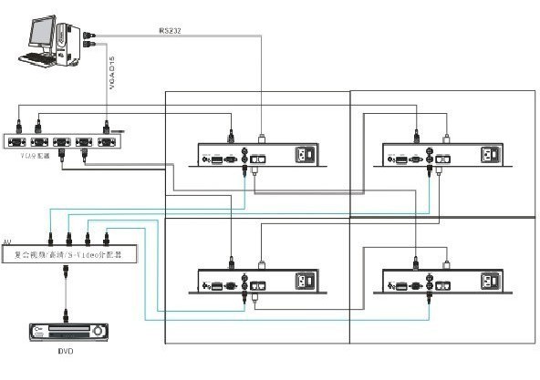
连接示意图:

效果图及描述:

