- 总人气:3417
- 商铺人气:1630
- 产品人气:1711
- 资讯人气:76

- 型号:HW1000
- 价格:1600
- 最小起订量:0
- 供货总量:0
- 产品介绍

深圳晶日盛科技有限公司成立于2006年,公司自创立以来,秉持专业、优质的服务精神,以“诚信、合作、学习、创新”为理念,凭借卓越的发展战略和专业的技术优势,积极为大陆LCD市场的发展推波助澜,为广大客户提供最优质的服务,并在广大客户和合作伙伴中树立了良好的企业形象。随着信息科技和光电产业的迅猛发展,深圳市晶日盛科技有限公司又将战略的眼光投向了LCDTV以及幕墙拼接处理系统方面之产品领域,并着力于市场需求的探索和技术实现上。我们充分发挥自身的优势,依靠技术创新和专业服务赢得客户
产品照片:


HW1000标准配置接口:
DVI接口,HDMI接口,VGA接口,CVBS接口,,RS232控制输入接口,红外接口,RGB接口,AV接口,YPBPR接口,S-VIDEO接口。
图片1

效果图及描述:

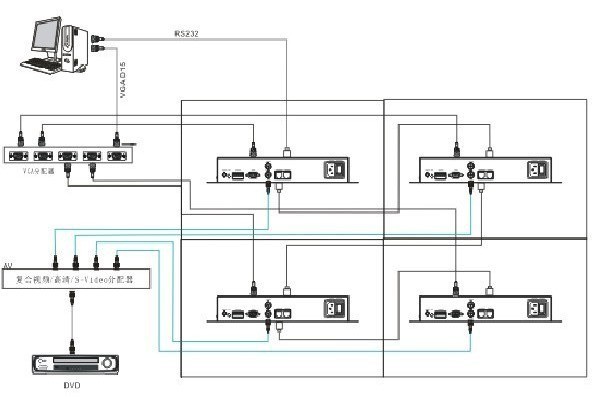
连接示意图:

拼接控制软件说明:
1.主界面
图1

1.1主菜单
系 统
管 理 员:管理员登录。
产品选项:选择相应的产品型号。
定时系统:设置定时时间。
退 出:退出软件系统。
设 置
串口设置:设置使用的串口参数.
矩阵设置:设置矩阵的相关参数。
幕墙设置:幕墙设置参数。
幕墙颜色:幕墙颜色设置。
产品功能:
HW1000拼接器
产品型号:GNS-HW1000
产品概要
GNS-HW1000此产品是我司根据市场需求,最新推出的一款针对大尺寸DID液晶屏,具有高品质画面处理的拼接处理器。采用了最新的数字处理技术,纯硬件拼接,串口控制的方式。图像无延迟,更流畅。内置3D视频解码,3D亮色(Y/C)分离及3D降噪处理等多项画质增强技术,通过3D色彩管理及3D边沿强化增强图像质量。DVI/ VGA/YPbPr/YC分离/CVBS信号输入,流行的(10bit)LVDS或传统的(24bit)TTL信号输出,使画面更加细腻自然. 支持PIP,POP功能,基本满足拼接显示系统对各种视频信号的显示处理要求。
信号输入:HDMI,DVI,VGA,RGB,AV,YPBPR,S-VIDEO
功能简述:
纯硬件驱动拼接,最高支持1920*1080分辨率;可整屏显示、可单屏显示、相邻的屏任意组合拼接
