- 总人气:4791
- 商铺人气:1627
- 产品人气:2630
- 资讯人气:534
产品详细

GPS十二功分器 微带功分器
- 型号:
- 价格:1
- 最小起订量:0
- 供货总量:0
- 产品介绍
技 术 规 格 书
1、产品型号:PS-GPS -12B
2、产品名称:GPS十二功分器
3、技术指标:
|
频率范围(MHz)
|
1550-1600
|
|
插入损耗(dB)
(含分配比)
|
≤12.0
|
|
带内波动(dB)
|
≤0.5
|
|
隔离度(dB)
|
≥24
|
|
驻波(VSWR)
|
≤1. 5
|
|
幅度平衡度(dB)
|
≤0.5
|
|
相位平衡度(°)
|
≤5
|
|
阻抗(Ω)
|
50
|
|
三阶互调(dBc)
|
-
|
|
接口类型
|
SMA
|
|
功率容量(W)
|
10
|
|
工作温度(°C)
|
-30~+70
|
|
外型尺寸(mm)
|
180.0×105.0×12.0
|
|
重量(kg)
|
0.25
|
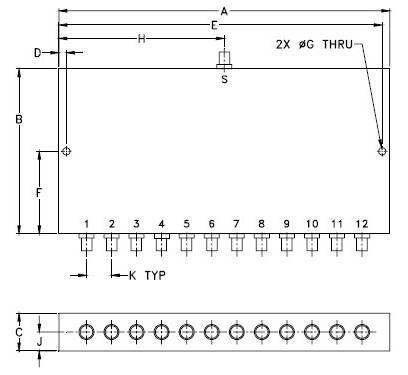
4、外观结构图:




