关注我们  

中安网微信
收藏中安网
cps icon
cps icon
主营产品:
防爆电器,矿用电器,
所在地区:
浙江 温州 --
联系电话:
0577-62848810
手机号码:
联 系 人:
在线联系:
公司邮箱:
475257911@qq.com
  • 总人气:1868
  • 商铺人气:1055
  • 产品人气:782
  • 资讯人气:31
产品详细
BZC51防爆操作柱LBZ 人民防爆
  • 型号:
  • 价格:
  • 最小起订量:0
  • 供货总量:0
  • 产品介绍
BZC51防爆操作柱LBZ 人民防爆
 适用范围:
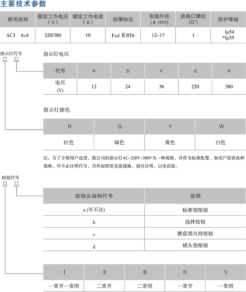
1. BZC51(LBZ)系列防爆操作柱适用于1区,2区危险场所。
2. BZC51(LBZ)系列防爆操作柱适用于ⅡA,ⅡB类爆炸性气体环境。
3. BZC51(LBZ)系列防爆操作柱防护等级:IP55  防腐等级:WF1
4. BZC51(LBZ)系列防爆操作柱使用类别:AC-3,AC-4 额定电流:10A
5. BZC51(LBZ)系列防爆操作柱额定电压:220V/380V(如有特殊要求请注明)

 

产品特点:

1. BZC51(LBZ)系列防爆操作柱外壳采用铝合金压铸成型,表面高压静电喷塑.
2. BZC51(LBZ)系列防爆操作柱内装万能转换开关、电流表〔可按用户要求装其他仪表)、指示灯、按钮等.
3. BZC51(LBZ)系列防爆操作柱转换开关有30多种功能可由用户自由选择,可根据要求特制.
4. BZC51(LBZ)系列防爆操作柱万能转换操纵机构经过优化设汁,可以自由找正,保证开关转动灵活无卡滞现象。.
5. BZC51(LBZ)系列防爆操作柱电流表量程由用户指定.
6. BZC51(LBZ)系列防爆操作柱钢管或电缆布线均可.
7. BZC51(LBZ)系列防爆操作柱产品出厂铭牌上只体现总单元内容,各分单元代号为汀货参数.
8. BZC51(LBZ)系列防爆操作柱符合GE3836-2000,IEC60079标准要求.

结构描述:

1. BZC51(LBZ)系列防爆操作柱盖板带合页装置一盖板和壳体配有合页,可以方便于工作检修,有要求时请注明.
2. BZC51(LBZ)系列防爆操作柱盖板嵌压密封条结构_盖板在隔爆面之外设置发泡密封条,在不影响防爆的前提下,有效提高防护能力.

BZC51系列防爆操作柱型号含义 BZC51系列防爆操作柱a2d2
BZC51系列防爆操作柱按钮

 BZC51(LBZ)系列防爆操作柱在户外使用时.请使用防雨罩.产品性能将更加优越、在选型时请根据总单元及分单元含义注明开关、按钮、指示
灯、电流表各自的数量规格及其产品的安装方式,进出线口方向等,洋细注明所需产品的型号一、总单元中注明所需开关、按钮、指示灯、电流表数量、规格、
产品按装方式、进线方式。如:二钮一表二灯挂式.注为: BZC51(LBZ)-A2B1D2G
二分单元中洋细注明开关,按钮、指示灯电流表各自的参数,如:数量、规格、电压
三、完整的汀货代号:
总单元和分单元选定后组合一起就是完整的选型代号如订货代号BZC51(LBZ)-A2B1D2G、A2-2I、B1-I(100/5)、D2-1Rd/1Gd
此产品:二钮一表二灯挂式、表量程100/5,指示灯为220v 绿、红各1个、2个按钮规格均能为一常开一常闭
关于中安网 | 广告服务 | 诚聘英才法律声明隐私声明 |  服务条款 | 帮助中心 | 联系我们网站地图
Copyright © 1999-2011 cps.com.cn All Rights Reserved
版权所有:CPS中安网    电信增值业务经营许可证:粤B2-20100259